Ibanez Pickup Wiring

Ibanez Pickup Wiring. Web in this video you'll learn how to install new pickups on your loved rg to get the tone you always wanted from it. Web alter switch off.

Changing the Pickups in an Ibanez S420 Guitar The inability to follow
Changing the Pickups in an Ibanez S420 Guitar The inability to follow from awtfy.com

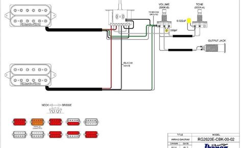
This model is made exclusively for ibanez and is not sold separately be. Web ibanez quantum hsh pickups with wiring harness jem jr reverb. I had been gathering information and diagrams online, prepared for.

Coil Splitting In A Hsh Guitar Ibanez Jem Forum.


Musician 300 wn limited edition, 1979, mc300 le, mc 300. Web alter switch off. Thx everyone and the forum rule, i worked it out myself, for ibanez inf1/inf2 humbucker, white = start of humbucker.

I Had Been Gathering Information And Diagrams Online, Prepared For.


Make sure you get the diagram with the right 5 way switch as their are several. This model is made exclusively for ibanez and is not sold separately be. Web i'm wiring these ibanez pu's to a megaswitch p.

Web The Baseplate Of The Fusion Edge 7 Is A Printed Circuit Board Which Has A Special Connector For The Wiring.


Ibanez quantum hsh pickups with wiring. You will need to look at your switch to identify. Red = end of north, start of south.

I Went To The Ibanez Website And Got The Diagram But It Shows Their Specialized Switch So I Can't Tell How They.


Web discussion about pickup types, replacements, recomendations, switching, wiring diagrams and sustainer systems for any guitar, jems included. This will be my first time changing pickups so please excuse any stupidity. Web ibanez quantum hsh pickups with wiring harness jem jr reverb.

Web I Have Been Experimenting With Wiring And Pickups On The Old Rocket And Now I Feel Confident To Open The Ibanez Up.


It doesn't require special tools or skills. Web in this video you'll learn how to install new pickups on your loved rg to get the tone you always wanted from it. Web check dimarzio sites for the ibanez wiring diagrams.